Cryogenic Valves for a Low Temperature of -196℃
We just sent several cryogenic gate, globe and
check valves to one of our European clients. This passage just shows you the cryogenic gate valves. If you are interested, please contact us via email:
[email protected].
Product description
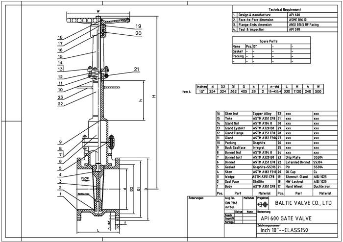
- API 600 cryogenic gate valve with handwheel
- Extension stem, with drip plate
- O.S&Y, BB, Rising Stem, full port
- Flexible Wedge with Back Seat
- With flow direction arrow and relief hole
Materials
Body/bonnet: ASTM A351 Gr.CF8
Trim: no.12 (316+Hardfaced)
Stem: ASTM A182 F316
Wedge: ASTM A351 CF8M
Connection: RF acc. to ASME B16.5
Face to Face: ASME B16.10
Item 1) 10qty 2”x 150LB
Item 2) 11qty 3”x 150LB
Item 3) 6qty 4”x 150LB
Item 4) 4qty 6”x 150LB
Item 5) 2qty 10”x 150LB
Item 6) 12qty 2”x 300LB
Item 7) 4qty 3”x 300LB
Item 8) 6qty 4”x 300LB
Item 9) 3qty 6”x 300LB
Kindly, please find the attached copies of GA drawing and valve pictures.
BALTIC VALVE CO., LTD
March 18, 2021
