• Stainless Steel Gate Valve, ASTM A351 CF8M

Stainless Steel Gate Valve, ASTM A351 CF8M

Stainless Steel Gate Valve, ASTM A351 CF8M
 
We produced same DIN gate valve to one of clients in Europe.
 
Product description:
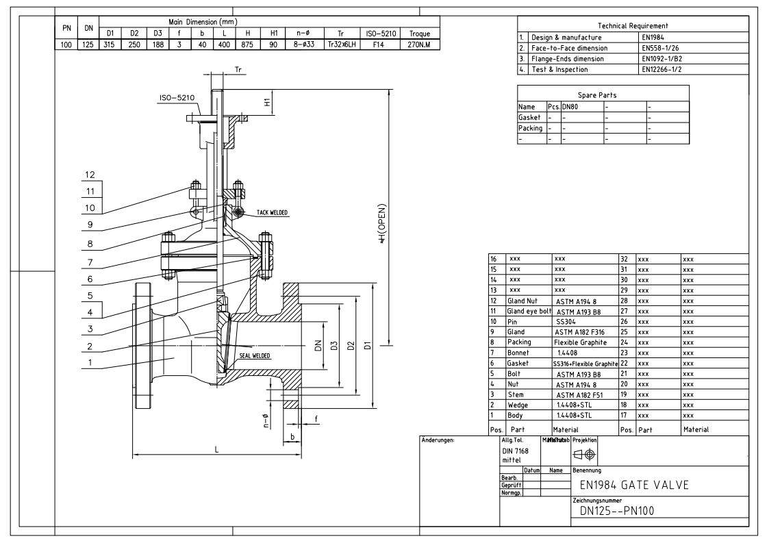
EN1984 GATE VALVE.
OS & Y, BB, rising stem, flexible wedge, full port.

Flanged acc. EN1092-1 Form B2. 
Face to face dimension acc EN558-1 line 26.

body/bonnet/wedge: 1.4408.
Stem/internal parts: AISI 316.
Seats: full stellite.

DN80/PN100 with Hand wheel.
DN125/PN100 with ISO 5210-F14.

B1-1000
B1-1000
 
B2-1000
B2-1000
 
Technical Drawing

Technical Drawings
Technical Drawings

BALTIC VALVE CO., LTD.
DATED DEC 3rd, 2020.

Name*
E-mail*
Rate*
Comments*


About the author
jw_23352