We have just delivered these check valves to one of our key European clients.
Product Description:
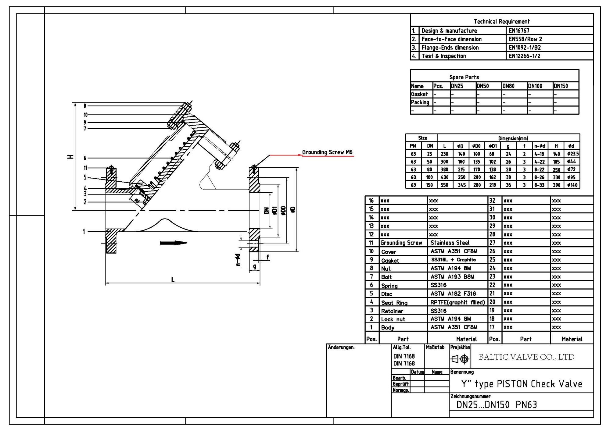
Y-Type Piston Check Valve
Design: EN 16767, Bolted Cover
Features: Spring-Loaded, Full Bore, Soft Seated
Medium: Ethoxylates / Polyols – Reaction Mixture / Off-Gases
Working Pressure: -0.975 barg (Vacuum) / Max. 10 barg
End Connection: EN 1092-1 Type B2 for PN63
Face-to-Face Dimension: EN 558 / Row 2
Materials:
Body/Cover: ASTM A351 CF8M
Plug: ASTM A182 F316
Seat: R-PTFE + Graphite Filled
Gasket: Spiral Wound SS316L + Graphite
Note: Equipped with anti-static device (Grounding Screw M6, Material: SS316L)
Dimensions:
PN63 DN25 L = 230 mm
PN63 DN50 L = 300 mm
PN63 DN80 L = 380 mm
PN63 DN100 L = 430 mm
PN63 DN150 L = 550 mm
BALTIC VALVE CO., LTD
Dated: July 25, 2025





