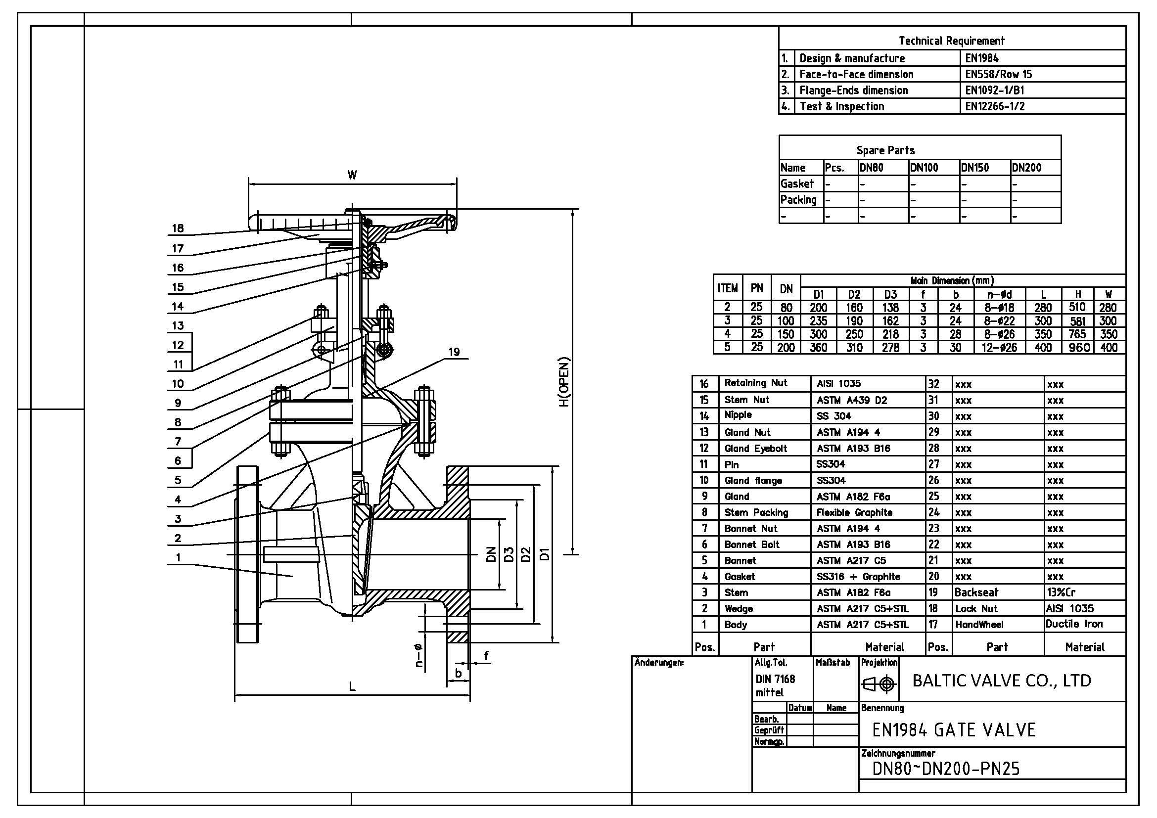
Product Description:
EN1984 Gate Valve with hand wheel
Type: OS&Y, bolted bonnet (BB), flexible wedge, full port
End Connection: Flange ends EN1092-1/B1
Face-to-Face Dimension: As per EN558-1, Line 15
Body Material: ASTM A217 C5 (Alloy Steel)
Trim: 5# Full Stainless Steel
Medium: High-temperature steam
Working Temperature: Up to +360°C
Dimensions:
PN25 DN80 – L = 280 mm
PN25 DN100 – L = 300 mm
PN25 DN150 – L = 350 mm
PN25 DN200 – L = 400 mm
For inquiries about DIN / EN gate valves, please contact us at: [email protected]
Attached documents:
GA drawings
Valve pictures
BALTIC VALVE CO., LTD
Date: Dec. 8th, 2025




