We have just completed a small batch of EN gate valves for one of our European clients.
Product Description:
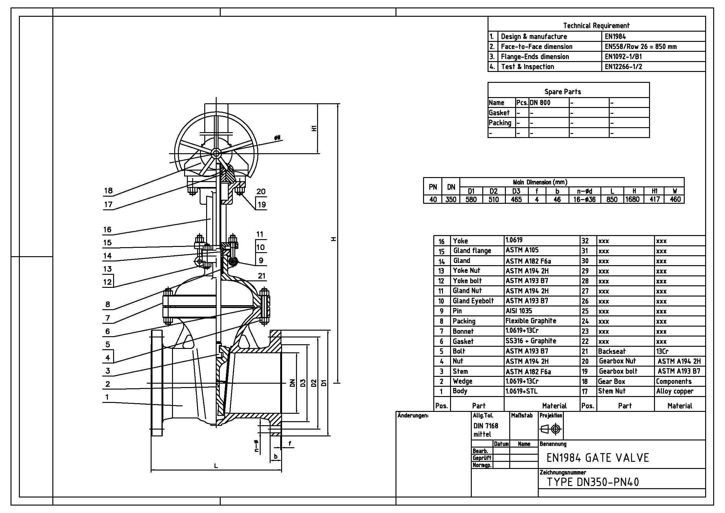
EN1984 Gate Valve with Gearbox + Handwheel
OS&Y, BB, BG, flexible wedge, full port
End Connections: Flange ends EN1092-1/B1
Face-to-Face Dimension: As per EN558-1, Line 26 = 850 mm
Body Material: 1.0619
Trim Material: 8# - half STL
Medium: High-Temperature Steam
Working Temperature: +360°C
Pressure Rating: PN40
Nominal Diameter: DN350
If you are interested in DIN/EN gate valves, please feel free to contact us via email: [email protected]
Kindly find attached:
GA Drawings
Valve Pictures
BALTIC VALVE CO., LTD
Dated: December 1st, 2025

