We are pleased to announce that the DIN
Globe Valve PN40 series is now available in stock. This series is a favorite among our European clients, who purchase these valves regularly for their inventory.
These globe valves are designed for use with petroleum products, including oil, petrol, and diesel, operating effectively at temperatures up to +400°C. The external surfaces are coated with RAL 9006 paint, providing a dry thickness of approximately 70µm, while the internal surfaces are protected with anti-rust oil to ensure longevity and performance.
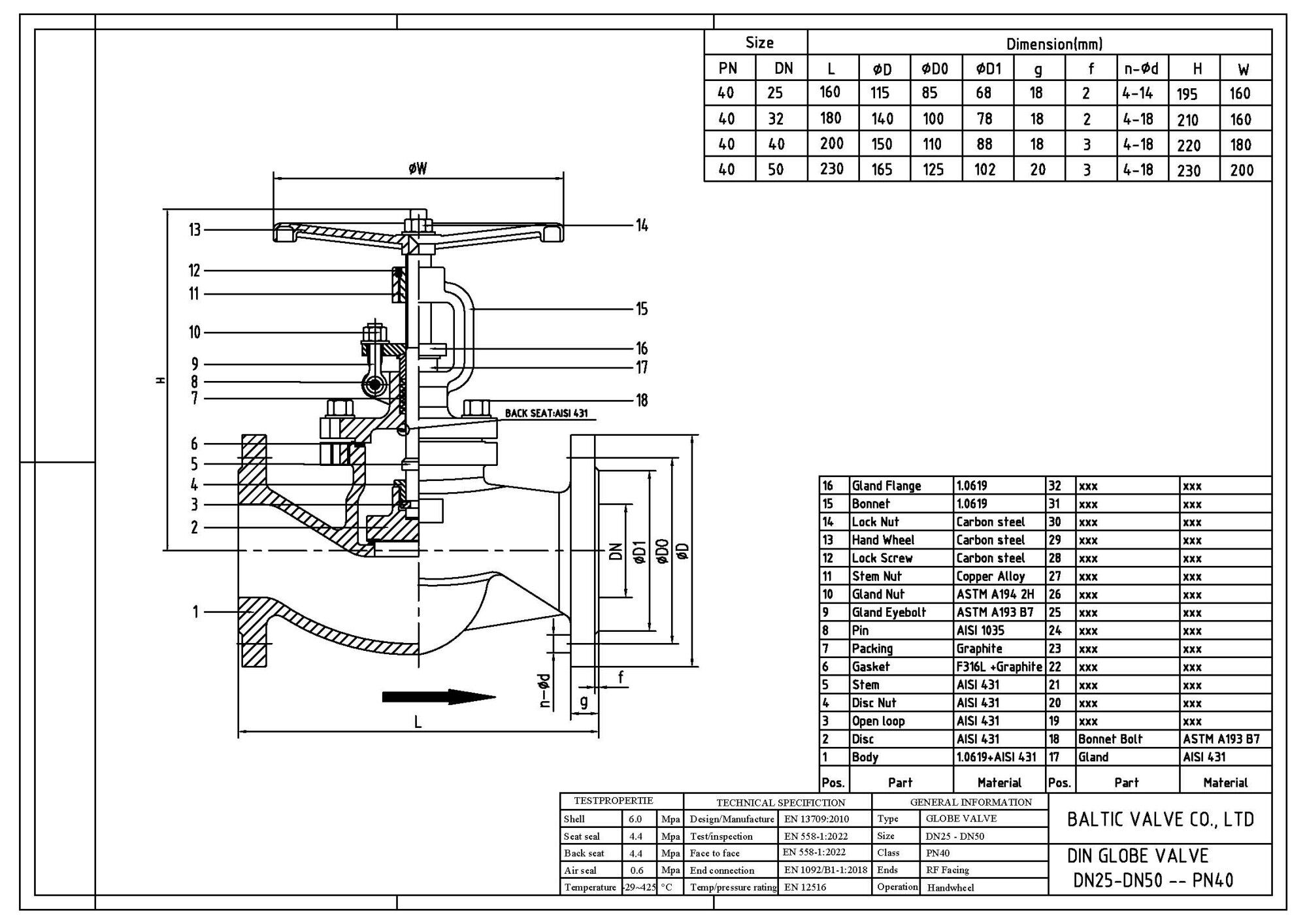
The EN13709 Globe Valve is equipped with a hand wheel for easy manual operation. Key features include:
Straight Pattern: For efficient flow.
Full Bore: Minimizes flow restriction.
Backseat: Ensures leak-proof performance.
OS&Y (Outside Screw & Yoke): Allows for easy visual indication of the valve’s position.
BB (Bolted Bonnet): Provides a secure and maintainable seal.
Rising Stem: Facilitates operation and monitoring.
Ends Connection:
Standard: EN 1092-1 / B1
Face-to-Face Dimension: EN558/Row 1 (DIN 3202 F1)
Testing & Inspection:
Standards: EN 12266-1
Leakage Rate: Rate A
Body/Bonnets: Made from 1.0619 carbon steel for robust performance.
PN40 x DN25: Trim AISI 431
PN40 x DN32: Trim AISI 431
PN40 x DN40: Trim AISI 431
PN40 x DN50: Trim AISI 431
PN40 x DN65: Trim 13% Cr
PN40 x DN80: Trim AISI 431
PN40 x DN100: Trim 13% Cr
If you are interested in acquiring these high-quality valves, please do not hesitate to contact us at
[email protected]. For your convenience, we have attached the GA drawing and valve images.
BALTIC VALVE CO., LTD
Date: September 12, 2024
PN40, DN25

PN40, DN32
PN40, DN40

PN40, DN50

PN40, DN65

PN40, DN80

PN40, DN100