A few weeks ago, we delivered these valves to one of our main European clients.
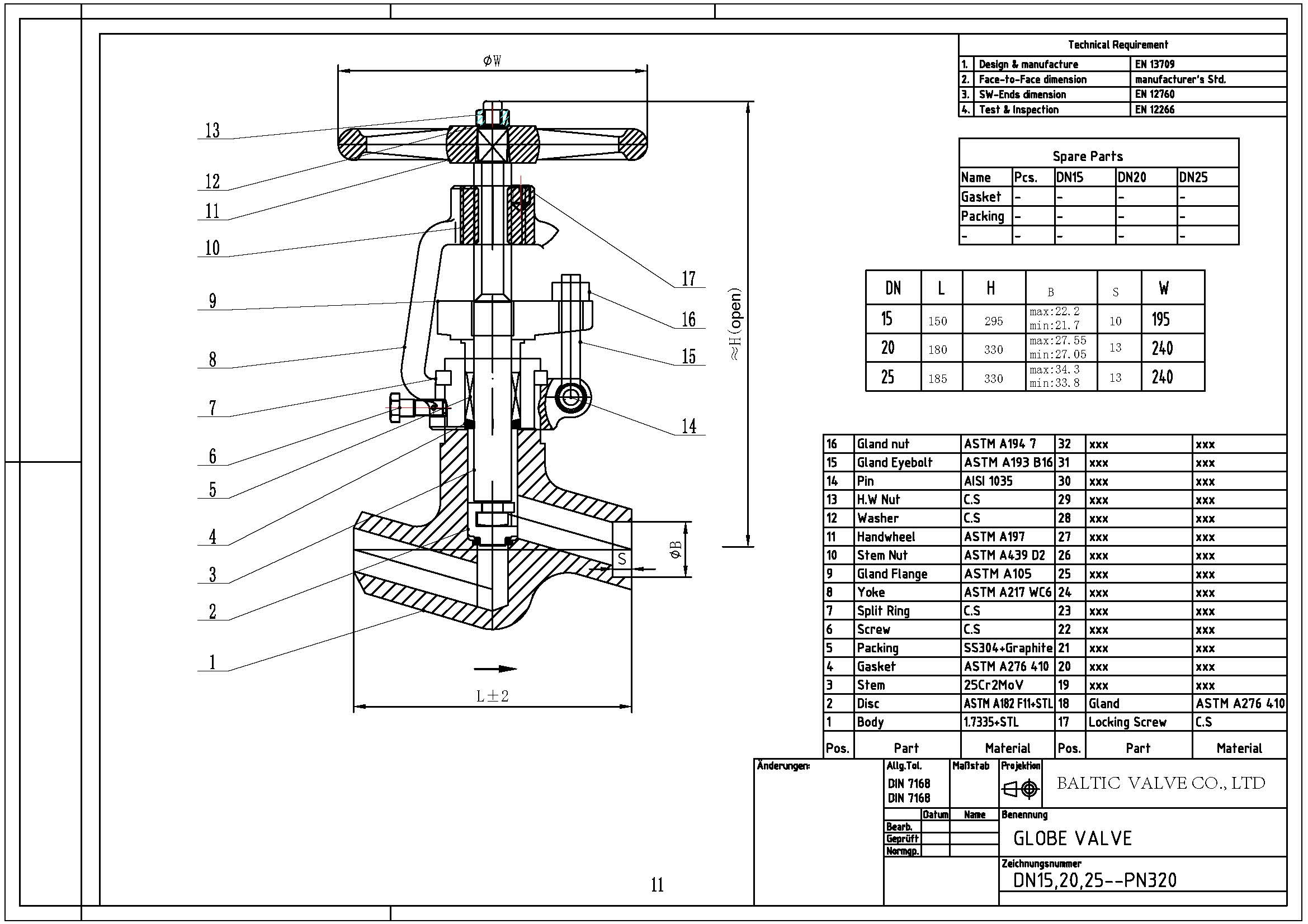
Product Description:
High-pressure globe valve with handwheel operation.
Full bore design, outside screw and yoke (OS&Y), rising stem.
End Connection: Socket weld ends as per EN 12760
Face-to-Face Dimension: As per manufacturer's standard
Material:
Body: 1.7335 (13CrMo4-5)
Body Seat: Stellite overlay
Disc: ASTM A182 F11 + Stellite
Stem: 25Cr2MoV
Packing: SS316 + Graphite
Specifications:
PN320, DN15, L = 150 mm, Full Bore
PN320, DN20, L = 180 mm, Full Bore
PN320, DN25, L = 185 mm, Full Bore
If you are interested in this type of globe valve, please feel free to contact us via email: [email protected]
Kindly find attached copies of:
GA drawings
Valve photos
BALTIC VALVE CO., LTD
Dated: April 13, 2026



